อิเล็กอีซี่(Eleceasy)
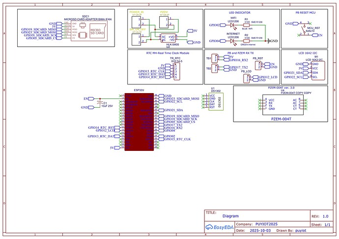
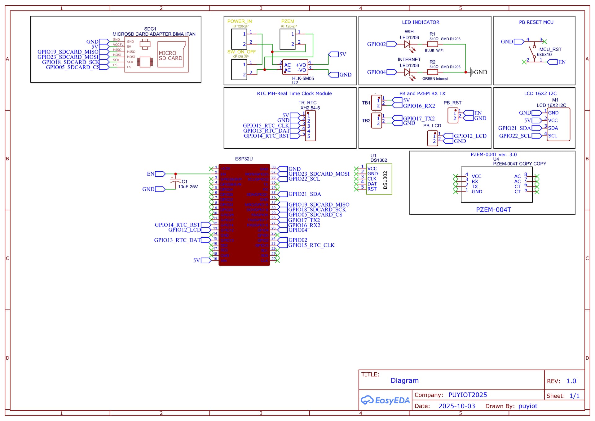
Diagram Concept การใช้ PZEM ร่วมกับ ESP32U วัดค่าพลังงานไฟฟ้าแบบ OFFLINE&ONLINE
🕹 Controller
ESP32
แนวคิดโปรเจค
PUYIOT
(อิทธิรงค์ ทองย้อย (ปุ๋ย))
ตุลาคม 14, 2025, 3:38am
1
Schematic_PZEM_2025-10-14
1920×1359 187 KB
www.Stats.in.th